全国统一热线

13631685890

变压器安装,配电柜安装
您当前的位置 : 首 页 > 新闻中心 > 技术园地

无功补偿装置原理

2021-11-02 02:19:00

       分相补偿装置可以补偿不平衡无功电流,但对不平衡无功电流无能为力。 事实上,一个设计良好的静态静态无功补偿器不仅可以将三相功率因数补偿为1,还可以通过调整三相之间的不平衡有功电流调整至平衡。

微信图片_20211102015910.jpg

1.如何调整不平衡电流

很久以前,电力女巫 C.P. Steinmetz 找到了一种使用静态无功补偿来平衡三相电流的解决方案。 《电力系统无功功率控制》一书有较为详细的介绍,有兴趣的读者不妨一读。 Steinmetz 方法有两个缺点。 一是计算过程相对复杂,读者很难从计算过程中理解这种调整不平衡电流的方法的物理含义。 其次,它只适用于三相、三线制系统。 应用于三相四线制系统时,零线电流不为零会产生较大的误差。

2、不平衡电流调节的基本原理

A相和B相两端接电阻。 这是典型的不平衡负载调整不平衡电流的目的是将该电阻的电流平均分配到三个相等的部分具体方法如图所示。

微信图片_20211102020011.jpg

A相与C相之间接入一个适当的电感L将A相有功电流的1/3转移到C相,这时电感L在A相产生的感性无功电流恰好将电阻在A相产生的容性无功电流抵消掉。在B相与C相之间接入一个适当的电容C将B相有功电流的1/3转移到C相,这时电容C在B相产生的容性无功电流恰好将电阻在B相产生的感性无功电流抵消掉。电感L在C相产生的感性无功电流恰好将电容C在C相产生的容性无功电流抵消掉。这样三相电流完全平衡,并且三相的功率因数全等于1。

A相和中性线之间连接一个电阻器。 这是另一个典型的不平衡负载。 调整不平衡电流的目的是将该电阻的电流平均分配到三个相等的部分。 具体方法如图2所示。

微信图片_20211102020100.jpg

在A相与C相之间接入一个适当的电感L1将A相有功电流的1/3转移到C相,在A相与B相之间接入一个适当的电容C1将A相有功电流的1/3转移到B相,这时电感L1在A相产生的感性无功电流恰好将电容C1在A相产生的容性无功电流抵消掉。在B相与零线之间接入一个电感L2将电容C1在B相产生的容性无功电流抵消掉。在C相与零线之间接入一个电容C2将电感L1在C相产生的感性无功电流抵消掉。于是三相电流完全平衡,并且三相的功率因数全等于1。

一个真正的有源负载系统相当于在每相之间以及每相与中性线之间连接不同的电阻。 在计算中,每个电阻单独计算,按照叠加原理相加。 必须确定电感数量并连接在每相之间和每相之间以及每相与中性线之间的电容器。 在叠加过程中,如果路径同时具有电感和电容,则执行抵消过程。例如:计算得出A相与B相之间应接入15Kvar的电感和7Kvar的电容,则抵消处理之后仅剩8Kvar的电。

上述方法需要使用电感器,这些电感器价格昂贵、成本高且笨重,因此不适用于真正的静态 VAR 补偿器设备。 幸运的是,实际的电力系统负载总是有电感的。 因为负载有电感,所以需要进行无功补偿。 负载的电感可以用来调整不平衡的有效电流。 理论计算和实践经验都表明,只要在每相之间以及每相与中性线之间正确连接不同数量的电容器,就可以在静态无功补偿期间调整不平衡有功电流。我是。 此外,所连接电容器的无功功率总数与相位补偿装置将每相功率因数补偿为 1 所需的无功功率总数相同。

由于调整不平衡有功电流需要利用负荷的电感,因此负荷的功率因数越低意味着可以利用的电感越多,则调整不平衡有功电流的能力就越强。计算表明:如果负荷的功率因数为0.7,那么最 大相电流是最小相电流2倍的情况可以调整到平衡。如果负荷的功率因数为0.85,那么最 大相电流是最小相电流1.5倍的情况可以调整平衡。如果负荷的功率因数为1,那么意味着没有可以利用的电感,因此无法进行不平衡调整。

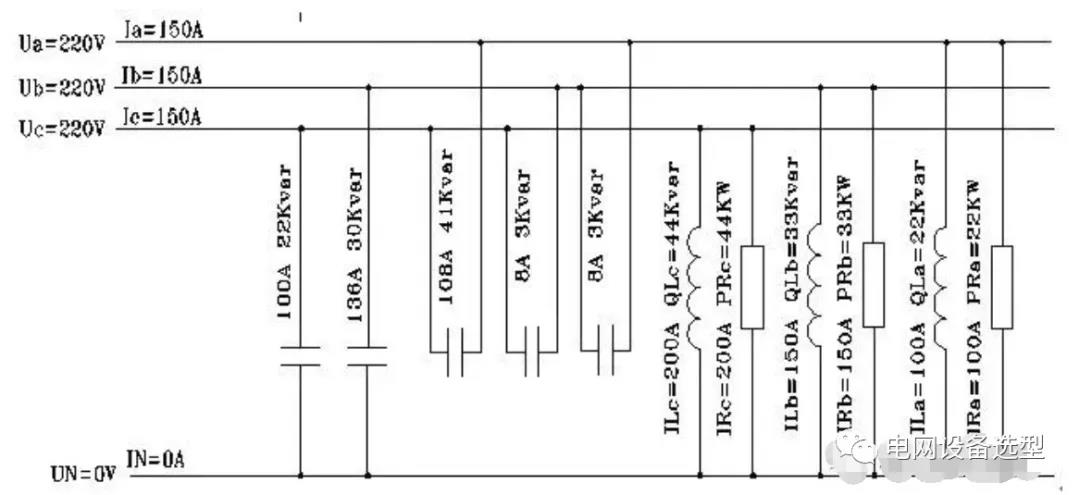
下面举例说明如何连接电容器以达到补偿功率因数和调整不平衡电流的目的。

微信图片_20211102020741.jpg

由图4中的数据可知,补偿电容器的总容量恰好等于负荷中的电感总容量,只是由于恰当地选择了电容器的接法,不仅使三相的电流平衡,并且三相的功率因数均等于1,零线没有电流。从图中可以看出,接在相与相之间的电容器是不相等的,因此可以起到既补偿无功又调整不平衡有功电流的作用,这里利用了Wangs定理2。从图中还可以看出,接在B相与零线之间和接在C相与零线之间的两个电容器的电流恰好抵消了零线电流,这里利用了Wangs定理3。由此可见3个Wangs定理之间并不矛盾,恰当地利用Wangs定理可以起到简化计算的作用,并且不论采取什么样的算法,得到的结果是唯 一的。在补偿了无功并且调整了不平衡有功电流之后,零线电流就消失了,乍看起来我们不由得会感谢上帝的巧妙安排,不过仔细想想这其中自有其必然性,既然三相电流平衡则零线电流当然不会存在。


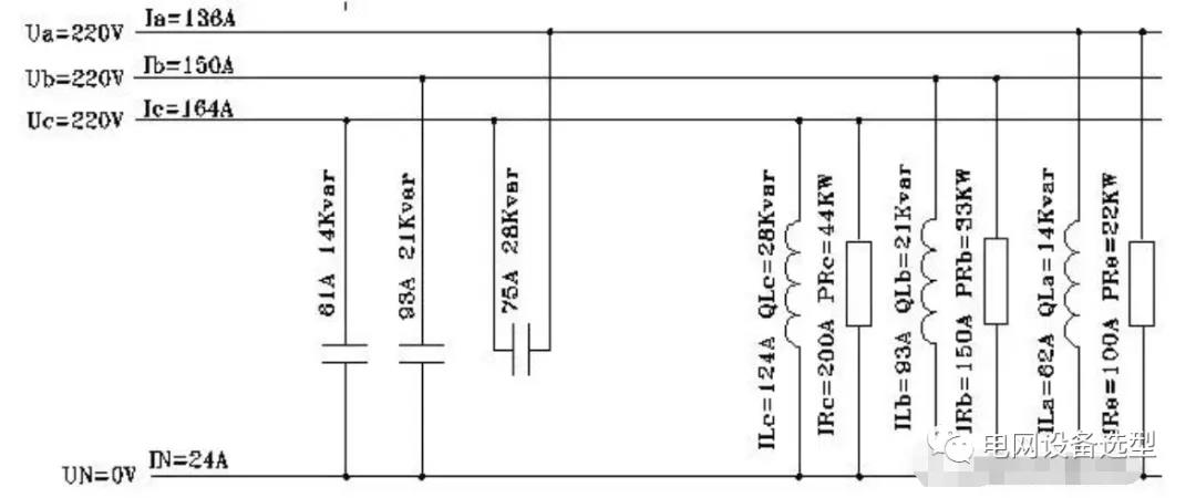
上例中的负荷含有足够多的电感,因此可以取得较好的调整不平衡效果。当负荷的功率因数较高,可以利用的电感较少,而三相电流的不平衡现象又比较严重时,可能达不到完全平衡的目的。但是理论计算与实验的结果都表明:只要负荷中含有电感,就可以在将三相的功率因数均补偿至1的基础上,使三相有功电流的不平衡程度有所减轻,仍然可以达到其他补偿方式所达不到的效果。下面举一例说明这个问题。



设有一用电系统如图5所示:


微信图片_20211102020810.jpg

图5的不平衡程度与图4的例子相当,只是三相的功率因数较高均为0.85。对于这种情况,虽然可供利用的负荷电感较少,达不到使有功电流完全平衡的目的,但是仍然可以取得一定的调整不平衡效果。补偿电容器的接法示于图6:


微信图片_20211102020852.jpg

由图6中的数据可知,补偿电容器的总容量恰好等于负荷中的电感总容量,补偿后三相的功率因数均等于1,三相的有功电流虽然没有完全平衡,但不平衡程度大大减轻,零线电流明显减小。



从以上的例子可以看出,只要恰当地在系统的各相线与相线之间及各相线与零线之间接入不同数量的单相电容器,就可以达到即补偿功率因数又调整不平衡有功电流的目的。并且投入的电容器总量与将三相的功率因数均补偿至1所需的电容器总量相同。虽然计算方法十分复杂,但在计算机技术高度发达的今天,实现起来还是没有问题的。



3、几种补偿装置的补偿效果比较


在负荷平衡的情况下,各种形式补偿装置的使用效果从理论上都是一样的,但是当负荷不平衡时,则使用效果就有很大的不同。


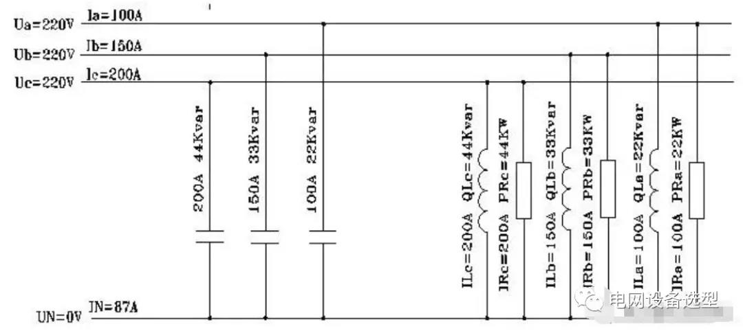
下面从理论上将几种类型的补偿装置进行一下比较。设系统实际负荷情况如图3所示。使用调整不平衡无功补偿装置的效果如图4所示,这里不再重复。


如果使用三相电容器同时投切的补偿装置来进行补偿,由于三相的电感量不同,只能参照A相的电感量来进行补偿,否则A相就会产生过补偿。补偿后的结果示于图7。从图7与图4的数据对比中可以看出,投入三相电容器后,虽然三相的电流都有所减小,但是三相间的不平衡程度反而有所加剧,未投电容器前C相与A相的电流比为2:1,投入电容器后C相与A相的电流比反而变成了2.24:1。投入电容器前后的零线电流没有变化,这是因为零线电流是由不平衡电流引起的,三相电容器不接零线,所以零线电流不可能改变。从此例可以看出,三相电容器同时投切的补偿装置不适于在三相电流严重不平衡的系统中应用。


微信图片_20211102020954.jpg8


从以上的介绍中可以看出,使用调整不平衡电流功率因数补偿装置可以取得最 好的效果,并且零线电流最小。




标签

相关产品

相关新闻