高层住宅建筑如雨后春笋般迅速发展,成为最主要的建筑形式之一,为了满足使用者个性化多样化的需求,高层建筑增加了许多智能电气控制系统,那么高层住宅配电系统应该如何来设计呢?我们一起往下看。

一、供电的基本原则
保证供电可靠性;减少电能损耗;接线简单灵活。
二、配电系统的设计
(1)层数
普通高层住宅层数为10~18层,属二类建筑;19~28层为一类高层建筑。此部分的电气设计内容不包括超高层建筑电气设计(需要特殊设计方案)。
(2)负荷等级
根据《民用建筑电气设计规范》及《火灾报警与消防联动控制》的规定,普通高层住宅按二级负荷供电,19层及以上的住宅按一级负荷供电。高层住宅主要消防设备有消防控制室、消防水泵、消防电梯、防排烟设施、火灾自动报警及消防联动装置、火灾应急照明和电动防火门窗、卷帘、阀门等。
(3)电源引入
高层住宅楼内供电电源采用电缆埋地引入方式。电压为交流220/380 V,采用TN S或TN-C-S接地系统。照明与动力电源电缆分别引入楼内π接箱或配电柜。一座高层住宅的建筑面积决定着引入楼内所需照明电缆的数量。每一根电缆接至一台π接箱。π接箱与配电柜的数量一一对应。π接箱安装在地下一层的专用房间内,此房间应安排在外线电缆易于引入的方向。

π接箱选用高架型,室内设计应满足下列要求:
1)π接箱的前面应有1.5 m的操作距离,箱体背后距墙应有1 m的距离,留作电缆的敷设位置。在特殊情况下,也可以靠墙安装。
2)在π接箱室应预留125钢管6根。供电电缆穿钢管沿π接箱室的地面引至π接箱。钢管在室外的埋深与住宅楼的室内外高差有关,用地下一层的层高减去室内外高差,再减去楼板厚度,等于钢管在室外的埋深,但钢管埋深不应低于室外地坪下0.7 m,钢管另一侧接至电缆井,预埋钢管应有向室外电缆井倾斜的坡度。
3)π接箱室不允许有上下水管及煤气管道等非本室用管路通过。
4)π接箱室至总配电室的线路距离不应超过15 m。
5)为防止外面的水流入,配电室的地面可做门槛或将地面抬高一个踏步。
外线电缆引入π接箱室后,电缆可明敷设至π接箱进线刀开关,也可以沿地面做沟,沟上盖盖板敷设至刀开关。
(4)配电室
配电室与π接箱室位于同层相邻或邻近的专用房间,且应满足下列要求:
1) 配电室至对外出口通道的距离不应超过20 m,并且通道不得穿越其他房间。
2) 配电室应设有能开启的采光通风窗。如果用专用窗井采光时,窗井上应加雨篷和防护网。
3) 配电室不允许上下水、煤气等管道穿越。配电室的地面应向外泛水。
4) 配电柜前应有1.5 m的操作距离,柜后距墙应有0.8 m的安装距离。柜边一侧应有不小于0.8 m的过人通道。
配电柜进线电缆由π接箱引入。一般情况下,若配电室与π接箱室相邻,电缆沿地沟内敷设后加盖板,若两室不相邻,电缆在桥架内沿顶板敷设。
在高层住宅内有时需要建变电所,其变压器容量不超过1250 kV·A,且为干式变压器。

变配电室安排在高层住宅地下层时,其上层不应直接为住宅,且不能安装在最底层。在高低压配电室的下面应有一层电缆夹层,其净高应为1.8 m。变电所净高不应小于3.8 m。
由于高层住宅大多数是剪力墙结构,所以变电所的平面布置一定要与结构专业协商确定。变压器及高低压开关柜的运输通道是采用坡道运输还是窗井吊装方式,在实际工程中根据具体设计确定。
(5)配电系统
高层住宅分板式和塔式两种。配电线路在楼内沿强电竖井敷设,楼内强电竖井位置的选择,宜靠近住户集中的地方,竖井内敷设照明、动力电缆及层配电箱,敷设电缆的数量由具体用电负荷及所需安装的动力设备确定。
电缆或绝缘电线可采用金属线槽、电缆桥架或穿金属管等布线方式。竖井的面积除满足布线间距及配电设备所必需的宽度外,并应在箱体前留有不小于0.8 m的操作、维护距离,这个距离可通过打开竖井门后利用公共走道来弥补,这样可使竖井的深度仅包括电气设备的安装距离,可不包括其操作、维护距离。
配电系统及计量方式应满足下列要求:
1)照明系统采用树干式配电。根据每层户数的多少,每一或二层取一相交流220 V电源供电。
2)照明计量设在每层用户表箱内。
3)在动力总配电柜内设动力总计量表。
4)消防用电要求双路电源时,应以动力电源为主电源,照明电源为备用电源。
5)电梯前室照明及公共楼梯灯用电按动力计量(不装子表),人防层、居委会应单独计量。
6)设备层及地下室用电按照明计量,电度表装在照明配电柜内。
7)住宅的楼梯灯可作为备用照明的一部分。当楼梯灯采用节能开关时,应有事故强投至点亮的措施,但电梯前室宜采用跷板开关。
8)住户配电箱可参照多层住宅的户箱。
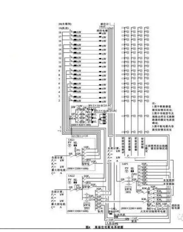
以一梯八户18层塔式住宅为例:
采用需用系数法进行负荷计算,系统图如图4所示。图中正压风机安装在地下层,若安装在屋顶,其电源控制箱(1ATl),应随之而改变。若楼顶没有水箱,可取消图中的液位信号线。
有些高层住宅在中间有一设备层,此层的层高较低,照明电源应为安全电压。有些高层住宅的地下层还设有消防水池,配电系统中应相应增加消防泵、喷淋泵和生活泵的电气控制内容。

(6)常用的高压供电方案
1)两路高压电源,正常时一用一备

2)两路电源同时工作,断路器处于分闸位置

3)三路电源,正常时两用一备,备用回路处于热备用

4)三路电源同时供电,中间用断路器联络

三、商业性高层用电负荷分部情况
空调设备 40-50%;电气照明 30-35%;动力 20-25%。
四、消防配电系统设计
19层及以上的普通住宅属于一类防火建筑,10~18层的普通住宅属于二类防火建筑。一类建筑按现行国家电力设计规范规定的一级负荷要求供电,二类建筑应按二级负荷的供电要求供电。一级负荷应由两个电源供电,当一个电源发生故障时,另一个电源应不致同时受到损坏。
二级负荷的供电系统应做到当发生电力变压器故障或线路常见故障时,不致中断供电(或中断后能迅速恢复)。凡消防设备供电电源,按消防规范要求采取末端双电源自投。

消防设计应符合下列要求:
1)在消火栓箱内应设有带动作指示灯的消防按钮,其功能应可远控启动消防泵并使备用照明电源自动点亮。
2)在屋顶设有消防水箱时,消防管道和稳压泵应自成系统,并使管道内的压力维持在0.07 MPa以上。
3)当在封闭电梯前室内设有排烟阀时,可采用手动开启方式,同时应联动排烟及正压送风风机的启动。若楼内设有火灾自动报警系统时,可通过安装在前室的探测器实现报警及联动的自动控制。
4)19层及以上的住宅疏散走道和公共出口处安装安全出口及疏散指示标志灯。出口标志灯安装高度距地不宜低于2 m,疏散标志灯的安装高度应在1 m以下。当采用蓄电池组作疏散指示灯的备用电源时,其连续供电时间不应少于20 min(在地下层安装时不应少于30 min)。
5)消防人员可在配电室的照明柜上使用分励按钮切除住户电源,其余非消防电源由消火栓内的按钮联动跳闸。
6)应隔层设消防广播线路或消防警铃。
7)高层住宅的电梯至少有一部为消防电梯。
五、低压配电系统
高层建筑物多采用放射式和干线式相结合的混合配电系统。下面几种是典型的高层建筑低压配电方案。

(1)分区树干式配电系统

(2)分区树干式+公用备用回路

(3)半放射式配电

(4)大树干配电方式
